Buck converter comes with free evaluation kit

Buck converter comes with free evaluation kit Buck converter comes with free evaluation kit

In the ever-evolving landscape of power electronics, efficiency, integration, and ease of design are paramount. STMicroelectronics’ (ST) DCP3601 buck converter, paired with the STEVAL-3601CV1 evaluation board, offers electronic design engineers a cost-effective and robust platform for developing next-generation power solutions.

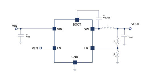
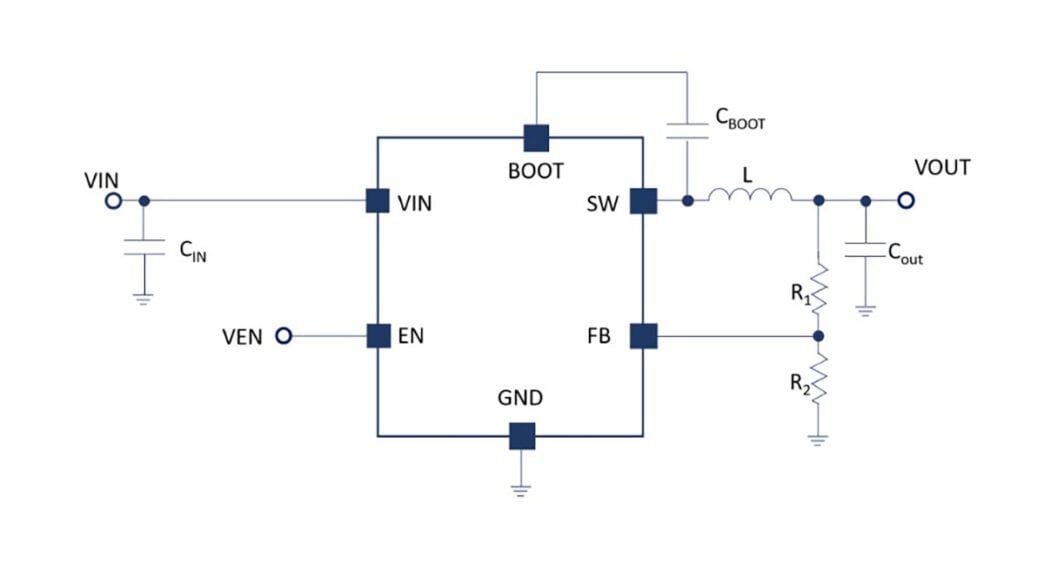
The DCP3601 is a wide-input voltage, easy-to-use synchronous buck converter capable of driving up to 1A load current, an extended input range from 3.3 to 36V makes the device suitable for a wide range of industrial applications.

It operates at 1MHz fixed switching frequency allowing the use of small inductors for an optimised solution size, optional switching frequency dithering is also available to improve EMI performance.

ST says designing with the DCP3601 couldn’t be simpler, with just six external components required in a typical use case schematic, saving on overall system cost and PCB space.

Based on a ‘peak current mode’ architecture with constant frequency control, the device generates the PWM control signal at the intersection between the error amplifier output and the sensed inductor current to drive the power switch.

The DCP3601 is available in four device options, there are two different light-load strategies, (LNM) Low noise mode and (LCM) Low consumption mode, both with an optional Dithering circuit to improve EMI performance.

  • LNM (low noise mode) implements a forced PWM operation over the different loading conditions. The LNM features a constant switching frequency to minimise the noise in the final application and a constant voltage ripple at fixed VIN
  • LCM (low consumption mode) is an advanced feature that enhances the efficiency under light-load conditions. When the switch peak current request is lower than the ISKIP threshold, the device regulates VOUT by the skip threshold, generating pulses at a variable frequency that is inversely proportional to the load. The duty cycle of the pulses may remain relatively constant, but the interval between pulses increases as the load decreases
  • Dithering features an internal circuit which changes the switching frequency in a range of ± 5% to improve EMI performance. The device updates the frequency every clock period by fixed steps, ramping up in 63 steps from minimum to maximum FSW and ramping down in 63 steps from maximum to minimum FSW

This buck converter also includes a full suite of built in protections including soft-start circuit, overcurrent protection circuit, overtemperature protection, and output overvoltage protection.

Packaged in a compact SOT23-6L package, the converter features an operating temperature range of -40 to +150°C, making the device is suitable for a wide range of industrial applications.

The DCP3601 is supported by the STEVAL-3601CV1 evaluation board which demonstrates a smart converter design able to deliver up to 1A output current from a 3.3 to 36V input, with a 5.0V output voltage. The evaluation board features the DCP3601 miniaturised synchronous step-down converter, which implements enhanced peak current control and advanced design circuitry to minimise quiescent current.

Anglia is offering customers a FREE evaluation kit and samples of the DCP3601 wide input synchronous buck converter.

Keep Up to Date with the Most Important News

By pressing the Subscribe button, you confirm that you have read and are agreeing to our Privacy Policy and Terms of Use
Previous Post
Molex sets new benchmark for AI and 6G testing

Molex sets new benchmark for AI and 6G testing

Next Post
HONOR launches a Robot Phone at MWC 2026

HONOR launches a Robot Phone at MWC 2026