Exactly 60 years ago, in July 1962, the early grainy images transferred seem very ancient by today’s broadcast standards. Telstar and the communication satellites that followed initiated a surge in space communication. Today, the Earth is surrounded by thousands of satellites performing everything from remote sensing for volcanic activity, to internet service provision, international phone calls, weather forecasting, and private data networks.
This short article by Mark Patrick from Mouser Electronics delves into space communication systems, previews some typical applications, and showcases some low-cost equipment you can experiment with to communicate skyward.
Space communication – from Telstar to CubeSat
Prize-winning author Arthur C. Clarke is often quoted as inventing the concept of using artificial satellites placed in geostationary Earth orbits to relay wireless signals. His proposal in October 1945 would form the basis of considerable research and development into placing active satellites above the Earth during the 1950s and early 1960s. In that era, the expansion of global communication networks using often unreliable high-frequency shortwave communication reached data throughput limits. Shortwave radio communication depends on ionospheric propagation that varies considerably according to time of day and suffers disruption by solar storms. Relaying microwave communication via satellite removed these challenges. Satellite R&D activity spawned further investigations that widened microwave communication and highly directional dish antenna design. Sixty years on, thousands of satellites surrounding Earth provide internet, telephony television, Internet of Things/Industrial Internet of Things (IoT/IIoT), navigation, remote sensing, and military communication services. Groups of satellites termed constellations offer access to essential services, such as global positioning. Today, satellites as small as a double-sized Rubik’s cube, termed CubeSats, are routinely launched into space with the assistance of private and government-funded launch facilities.
Opening access to space communication for All
Unlike the formative years of satellite communication, developing a satellite and putting it into an Earth orbit is less expensive and complicated. Secondary education establishments, colleges and universities all have the opportunity to share in the creation of a CubeSat and piggyback on launch services provided by NASA and other emerging commercial space exploration organizations. To better define the rapidly-growing use of small satellites, European satellite development company Alen Space worked with leading space institutions to categorise them. A CubeSat measuring 10cm x 10cm x 10cm and weighing no more than 1.3kg sets a 1U nanosatellite benchmark.
According to the Nanosatellite Database, a privately run space research organisation, the growth of nanosatellites by companies and academic institutions far exceeds those by government-funded space agencies (Figure 1).

Figure 1: Actual and forecast nanosatellite launches 1998-2027 by organisation type. (Source: Erik Kulu, Nanosats Database, www.nanosats.eu)
Regarding the size of nanosatellites launched, they are reasonably evenly spread (Figure 2), and a new category, a picosat weighing between 0.1kg and 1kg, is also emerging.

Figure 2: Actual and forecast nanosatellite launches 1998-2027 by nanosatellite category. (Source: Erik Kulu, Nanosats Database, www.nanosats.eu)
Satellites are typically placed in one of three Earth orbits: Geostationary (GEO), Medium Earth Orbit (MEO), or Low Earth Orbit (LEO).
- A GEO satellite, about 36,000km from Earth, appears to stay in one place, rotating as the Earth rotates. This orbit offers constant communication to antennas that are within its range.
- MEO and LEO satellites are much closer to Earth, typically 2,000km to 30,000km for MEO and 160km to 2,000km for LEO, and are not geostationary.
Experimental balloon-launched satellites are another way of getting satellites into high-altitude near-Earth orbits up to 130km. This approach offers a less costly process than rocket launches. The European Commission has also funded research to evaluate a balloon-launched platform to provide an easier and more convenient way of placing nanosatellites into a low-Earth orbit.
Getting started with space communication
There are many ways engineers and innovators can explore and engage in space and satellite communications. Those contemplating a career in this field may join a university programme such as those run by Warwick University or the University of Surrey’s Surrey Space Centre. Satellite design and operation require a broad mix of skills, with a range of specialist disciplines from RF engineering to astrodynamics. For university students with no previous involvement with satellites, the European Space Agency (ESA), in August 2022, ran its first ESA Academy CubeSat summer school.
Centres of space communication excellence are also emerging to fulfil the need for agile commercial organisations to run satellite ground stations and globally co-ordinate deep space communications. An example is the Goonhilly Earth Station, the European site that received the first broadcast TV pictures from the Telstar satellite.
More modest involvement with space communication is relatively easy to achieve using readily available software-defined radio (SDR) hardware and open-source software such as SDR Console and GNU Radio. Open-source community examples include MyriadRF, where hardware and software resources combine, and well-documented projects are curated. MyriadRF aims to build a community that works together to make wireless innovation accessible to as many people as possible.
Innovators active with simple SDR-based implementations include radio astronomers and amateur radio stations. The global amateur radio satellite community, AMSAT, launched their first satellite, OSCAR, in 1961. Since then, AMSAT has launched over sixty satellites, of which twenty are in operation. Equipped with an SDR receiver and a high-gain Yagi or dish antenna, it is possible to receive signals from the AMSAT QO-100 satellite relay transponders. AMSAT fitted the QO-100 communications equipment to the geostationary Es’ hail 2 satellite launched in 2018.
For radio astronomy, SDR receivers are a convenient, low-cost way of researching everything from hydrogen line variations to magnetic anomalies and searching for signs of extra-terrestrial life.
RF product showcase
Experimenting with an SDR-based satellite receiver is achieved with one of the low-cost ready-to-use SDR modules such as the Analog Devices ADALM-PLUTO and one of the LimeSDR evaluation boards.
Lime Microsystems LimeSDR
The two LimeSDR evaluation boards are the LimeSDR and the LimeSDR Mini (Figure 3). They incorporate the Lime Microsystems LM7002M field-programmable RF transceiver IC.

Figure 3: The LimeSDR (left) and LimeSDR Mini (right) RF evaluation boards for the Lime Microsystems LMS7002M RF transceiver. (Source: Lime Microsystems)
Capable of operating continuously from 100kHz to 3.8GHz, the LM7002M features dual transceiver paths, is capable of full duplex and time-division duplexing operations and supports a programmable RF modulation bandwidth of 160MHz. The boards are suitable for prototyping a broad range of software-define radio applications from IoT and machine-to-machine (M2M) networks to small cell radio communication to receiving weather satellite images. Radio astronomy, media streaming and drone command systems are some other examples of use cases.
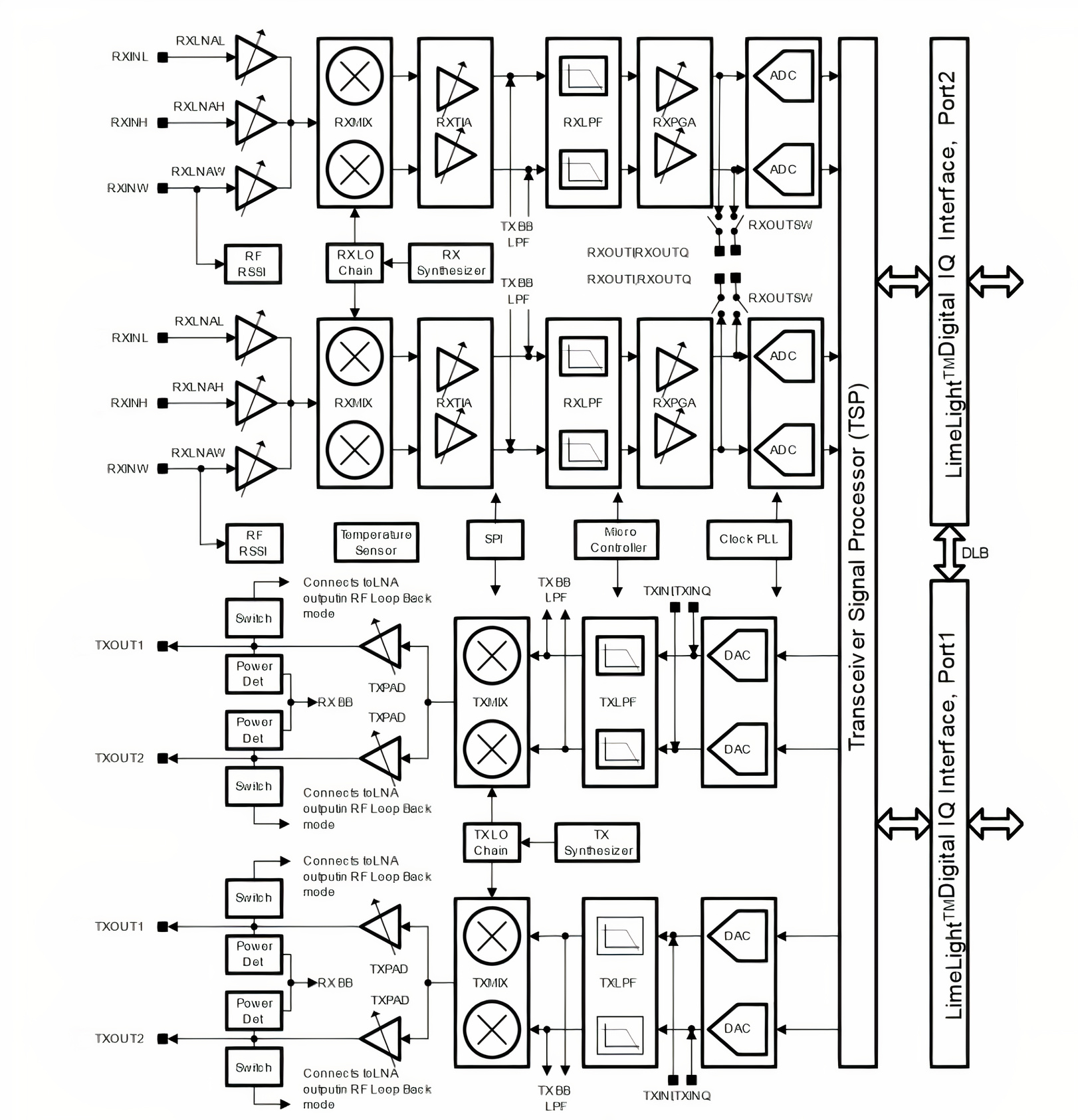
The boards also incorporate an Intel Altera Cyclone IV FPGA, 256MBytes of DDR2 SDRAM, and a Rakon RPT7050 oscillator. RF power output is up to +10dBm, and the boards have six receiver channels and four transmitter (two for the LimeSDR Mini) paths. Figure 4 illustrates the high-level functional architecture of the LMS7002M FPRF transceiver IC.

Figure 4: The functional block diagram of the Lime Microsystems LMS7002M FPRF transceiver. (Source: Lime Microsystems)
Popular open-source SDR software applications such as SDR Console, GNU-Radio, SoapySDR, UHD, and Pothos fully support the LimeSDR evaluation boards. You can access example projects at MyriadRF. The Lime Microsystems community site also highlights projects like MarconiISSta. This project is led by Germany’s Technische Universität Berlin and supported by ESA and the German Aerospace Centre (DLR). A LimeSDR on the International Space Station conducts mapping of the global radio spectrum mapping to track interference and encourage better spectrum-sharing collaboration.
Analog Devices ADALM-PLUTO
The USB-based Analog Device ADALM-PLUTO is a complete SDR module and RF engineering learning platform. It provides a single receive path and a single transmit path and can perform half or full duplex operation. The continuous RF range is from 325MHz to 3.8GHz, with a maximum instantaneous bandwidth of 20MHz. It is a cost-effective RF prototyping platform that can be incorporated into a more extensive project or be used stand-alone in a lab test and measurement environment. The ADALM-PLUTO (Figure 5) contains an Analog Devices AD9363 highly-integrated RF transceiver IC and a Xilinx Zynq Z7010 FPGA.

Figure 5: The Analog Devices ADALM-PLUTO SDR active learning module. (Source: Analog Devices)
In addition to benefiting from comprehensive open-source SDR software support, the ADALM-PLUTO can also be accessed via MathWorks MATLAB programming language and Simulink simulation software. These engineering tools extend ADALM-PLUTO’s reach into analysis, research, and model-based design use cases.
The Analog Devices AD9363 RF agile transceiver IC is suitable for a broad range of cellular, wireless streaming, satellite communication, and amateur radio applications. It features six differential receiver paths or twelve single-ended, and four differential transmitter outputs (Figure 6). Fully integrated phase-locked loops (PLLs) perform fractional N frequency synthesis for the receive and transmit channels. The maximum transmit power output is +7dBm to +8dBm depending on transmitter frequency.

Figure 6: The functional block diagram of the Analog Devices AD9363 RF agile transceiver is used in the ADALM-PLUTO SDR module. (Source: Analog Devices)
Complementing the ADALM-PLUTO is the Analog Devices EV1HMC8413 amplifier evaluation board. This board provides an evaluation platform for the HMC8413 broad-band RF amplifier IC (Figure 7). The amplifier delivers a + 19dBm gain across the range 10MHz to 7GHz. Typical applications include increasing the output of a local oscillator IC in a mixer circuit or increasing the output power of the ADALM-PLUTO.

Figure 7: The Analog Devices EV1HMC8413 RF amplifier evaluation board. (Source: Analog Devices)
Conclusion
This short article has highlighted how innovators and electronics engineers can explore satellite communication. The access to low-cost, flexible, and well-supported SDR modules and kits, together with a wide range of open-source software tools and communities, make it easy to prototype your first project.