This article originally appeared in the May’24 magazine issue of Electronic Specifier Design – see ES’s Magazine Archives for more featured publications.
In addition to meeting basic AC/DC power-supply performance specifications, medical power supplies must comply with regulatory mandates for less-obvious performance considerations such as galvanic isolation, voltage ratings, leakage current, and means of protection (MOP). These standards are in place to ensure that the powered unit does not put the operator or patient at risk, even if there are failures in the supply or load. At the same time, designers of medical power supplies must continue to improve efficiency and reduce size and weight.
This article discusses the use of external AC/DC supplies in medical instruments and reviews associated regulatory standards. It then introduces products from XP Power that designers can use to meet these standards, while also taking advantage of gallium nitride (GaN) power devices to decrease the supply’s physical size by almost half.
Basic power supply design requirements
Selecting an AC/DC supply begins with the standard power-supply performance metrics. The supply must provide the nominal DC voltage and be able to deliver the rated current at that voltage to support the load. A universal supply must accommodate a wide range of AC input voltages (typically 85 volts AC (VAC) to 264 VAC) at frequencies from 47 to 63 Hertz (Hz).
These input and output voltage and current ratings are critical, but insufficient to fully define a power supply. Other considerations include:
- Dynamic-performance attributes, such as start-up delay, start-up rise time, hold-up time, line and load regulation, transient response, ripple and noise, and overshoot
- Protection against overloads, short circuits, and overtemperature
- Efficiency mandates, which are a function of the supply’s maximum power rating and must have specific values along the load curve, including full-load, low-load, and no-load points
- A power factor (PF) close to unity, where the specific PF number is a function of the power level and controlling regulatory standard
- Electromagnetic compatibility (EMC), which characterises the maximum electromagnetic interference (EMI)/ radio-frequency interference (RFI) of the supply as well as its susceptibility to electrostatic discharge (ESD), radiated energy, burst energy events, line surges, and magnetic fields
- Safety, which defines basic requirements to protect the user and the equipment, including isolation voltage between input and output, input to ground, and output to ground
Requirements for medical power supplies
Additional standards and regulatory mandates further complicate matters when evaluating a power supply for medical applications. These relate primarily to patient and operator safety, ensuring that the power supply will not put either at risk in case of a single or even a double-fault failure.
Much of the concern relates to stray or leakage currents. A standard line voltage (110/230 volts; 50 or 60Hz) across the chest, even for a fraction of a second, may induce ventricular fibrillation at currents as low as 30 milliamperes (mA). If the current has a direct pathway to the heart, such as via a cardiac catheter or other electrode, a much lower current of less than 1mA (AC or DC) can cause fibrillation.
These are some standard thresholds that are often cited for current through the body via skin-surface contact, and the danger numbers are much lower for internal contact:
- 1mA: barely perceptible
- 16mA: maximum current an average-size person can grasp and ‘let go’
- 20mA: paralysis of respiratory muscles
- 100mA: ventricular fibrillation threshold
- 2A: cardiac standstill and internal organ damage

Figure 1: A basic model of a transformer shows there is no current path from the primary side to the secondary side. (Image source: Power Sources Manufacturers Association)
The risk levels are also a function of the path of current flow through two points of contact with the body, such as across or through the chest, or from an arm down to the feet. This is why minimising leakage currents that pass through the dielectric insulation of an AC isolation transformer is critical.
It may seem that the amount of leakage current would be negligible with adequate quality insulation. However, while this leakage can be current that physically ‘leaks’ through due to the non-perfect nature of the insulation, it can also result from capacitively coupled currents that can cross even exceptional insulation.
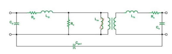
A simplified model of an ideal transformer shows perfect galvanic (ohmic) isolation between its primary and secondary sides (Figure 1).
With an ideal transformer, no current can flow directly from the AC mains to the powered product to form a complete current-loop back to the AC mains, even if a component or wiring failure provides a new current path on the secondary side. However, no transformer is perfect, and primary-to-secondary interwinding capacitance is expected (Figure 2).

Figure 2: A more realistic model shows basic interwinding capacitance (Cps1) between the primary and secondary sides. (Image source: Power Sources Manufacturers Association)
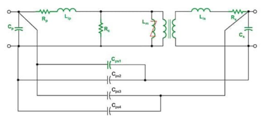
A more sophisticated model adds additional sources of interwinding capacitance (Figure 3). This undesired capacitance allows the flow of leakage current, and its value is a function of many variables, such as wire size, winding pattern, and transformer geometry. The value can range from as low as one picofarad (pF) to a few microfarads (µF). In addition to transformer capacitive-based leakage, other sources of unintentional capacitances are spacings on printed circuit boards (pc boards), insulation between semiconductors and grounded heatsink, and parasitics between other components.
Transformer leakage current due to capacitance is not the only concern medical power supply regulations address. Basic AC safety and insulation are a priority. Depending on voltage and power levels, supplies may also need a second, independent insulation barrier in addition to the primary barrier (or physically reinforced insulation). Insulation performance also degrades over time due to temperature extremes, stress due to high voltage, and voltage surges, though it may still meet its rating.

Figure 3. There are other transformer capacitances besides the first interwinding (Cps1). (Image source: Power Sources Manufacturers Association)
The first layer of insulation is typically referred to as ‘basic insulation’. An example is wire insulation. The second layer is often an insulated enclosure, as seen in many wall-mount and desktop power supplies.
Standards and means of protection (MoP)
The primary standard governing medical electronics and safety is IEC 60601-1. The most recent (4th) edition extends the patient focus by requiring an overall means of protection (MOP) that combines one or more ‘means of operator protection’ (MOOP) and ‘means of patient protection’ (MOPP).
Regulatory standards have also created protection classes around how MOOP is provided. These are designated Class I and Class II and govern the construction and insulation of power supplies. A Class I product has a conductive chassis connected to safety earth ground. To simplify local wall plug compatibility, the supply has an IEC320-C14 receptacle for a user-supplied power cord with a safety earth ground conductor (Figure 4, left).
In contrast, Class II power supplies have a two-wire power cord with a safety earth connection (Figure 4, right). Due to the absence of a grounded chassis, there are two layers of insulation (or a single layer of reinforced insulation) between the user and the internal current-carrying conductors.
The result is that any AC/DC supply designated for medical applications and certified as either Class I or Class II must be specially designed and tested to the relevant standards. Fortunately, power supply vendors such as XP Power understand the technical, manufacturing, and certification issues needed to deliver supplies that meet these standards.
Size also matters
The technical requirements and regulatory mandates imposed on medical AC/ DC supplies are not concerned with physical size, yet size is important. Large supplies complicate the in-place operating arrangement where space is limited, like in an ambulance or a clinical setting where mobile cart and desk space are limited.

Figure 4. Class I (left) and Class II (right) units have grounded three-wire or ungrounded two-wire AC line connections, often used with standard IEC receptacles and user-supplied line cords. (Image source: XP Power)
Decreasing the size of the AC/DC supply would be beneficial in these situations, but it is a challenge. Minimum supply dimensions are limited by the need to adhere to regulatory guidelines covering insulation, creepage, and clearance.
Another problem with shrinking the supply is thermal dissipation. If the supply’s volume and package surface area are insufficient, its internal temperature will be higher than it would be for a larger supply, degrading internal active, passive, and insulating components. Forced-air cooling is unacceptable due to potential airflow blockages, long-term reliability concerns, and added ambient noise.
Further, the generated heat may cause the surface temperature of the supply case to rise beyond what is acceptable, putting patients and operators at risk. The key to shrinking supplies is using appropriate circuit-switching components to minimise generated heat.
This is where GaN-based switching devices offer distinct Figure 4. Class I (left) and Class II (right) units have grounded three-wire or ungrounded two-wire AC line connections, often used with standard IEC receptacles and user-supplied line cords. (Image source: XP Power) Figure 5. The AQM200PS19 is a 200 watt Class I unit that delivers 19 volts at up to 10.6A with 92% efficiency. (Image source: XP Power) advantages over silicon (Si). Their lower series resistance, faster switching times, and lower reverse recovery charge reduce losses, resulting in a more efficient, cooler, and compact switching supply.

Figure 5: The AQM200PS19 is a 200 watt Class I unit that delivers 19 volts at up to 10.6A with 92% efficiency. (Image source: XP Power)
An example is XP-Power’s AQM200PS19, a member of the AQM series. The supply is rated for 19 volts/10.6 amperes (A) Class I operation. The unit measures approximately 167 × 54 × 33 millimetres (mm), which is half that of a traditional supply with these ratings, and weighs just 600 grams (g) (Figure 5).
This external power supply is fully approved to international medical standards. The electrical parameters include a patient leakage current that is less than 100 microamperes (µA), a typical efficiency of 92%, a standby power consumption of less than 0.15 watts, and a PF of >0.9.
Available in both Class I and Class II versions, the supply is rated for 0 to 60°C operation. It features a fully sealed enclosure that complies with IP22 ratings, and its smooth surface finish facilitates easier cleaning in medical environments.
For higher-power systems, XP Power has the AQM300PS48-C2, a 300 watt, Class II unit rated for 48 volt/6.25 A output and a standby power consumption of under 0.5 watts. Although slightly larger, this supply is still compact at just 183 × 85 × 35mm and weighs 1,050g.
In a 250 watt rating, XP Power offers the AQM250PS24, a 24 volt/10.4A, Class 1 power supply with a standby power consumption of under 0.15 watts. It measures 172 × 67.1 × 32mm.
Conclusion
External, self-contained AC/DC power supplies for medical equipment must meet tight regulatory, operational, performance, safety, and efficiency requirements. The AQM series of medical-rated external supplies from XP Power exceeds these using GaN devices, resulting in an overall package that is half the size of a classic Si unit.